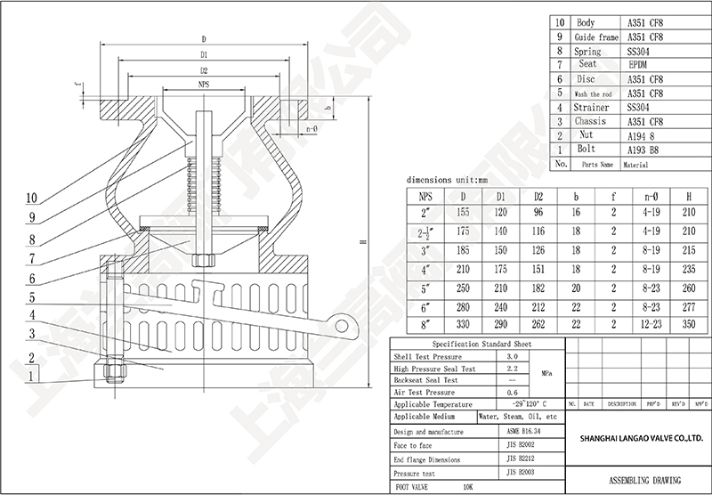
不锈钢拉杆式底阀

IS-10K拉柄式不锈钢底阀,JIS-10K拉柄式不锈钢底阀原理,JIS-10K拉柄式不锈钢底阀标准,又称全流量底阀,底阀英文为FOOTVALVE。实际上是止回阀的一种,起着防水水倒流的作用。
底阀按材质可分为树胶类底阀和金属类底阀、也可以分为普通底阀和有反洗水流的底阀。
目前国内品牌的底阀质量普通,如密封不严,存在漏水问题等,这样系统很难实现自动控制,每次需要向吸管中灌水,非常麻烦。
底阀是一种节约能源的阀,一般安装在水泵水下吸管的底端.限制水泵管内液体返回水源,起着只进不出的功能。阀盖上有很多个进水口和加强筋,起到了不易堵塞,主要应用在抽水的管路上.水道和支承的作用.
底阀由阀古,阀瓣,阀盖,衬套,密封圈等零件组成,水源的水从阀盖进入阀体.在流体的压力作用下,阀瓣打开水,当示停后出口管内的压力将阀瓣迅速关闭,液体将不会倒回水源,起到了即畅通抽水。
1、为了防止介质逆流,在设备、装置和管道上多应安装止回阀;
2、止回阀一般适用于清净介质,不宜用于含有固体颗粒和粘度较大的介质;
3、一般在公称通经50mm的水平管道上都应选用立式升降止回阀;

1、为了防止介质逆流,在设备、装置和管道上多应安装止回阀;
2、止回阀一般适用于清净介质,不宜用于含有固体颗粒和粘度较大的介质;
3、一般在公称通经50mm的水平管道上都应选用立式升降止回阀;